π¦Unboxing and Wiring Power
Step 1 - Unbox your Clyr Controller
Unbox your Clyr Controller. The outdoor-rated controller has a hinged cover with an IP67 rated gasket, which means you can mount this directly outdoors with the rest of your pool equipment!
Remove the controller from the box and open the hinged cover.
Inside the device you will find:
- Two control cables
- 20-24 Volt Power Supply
- Controller circuit board (PCB)

Step 2 - Connect your controller to power
Important - there are multiple ways to power your Clyr controller. We recommend using the existing equipment low voltage power as this is most convenient.
Remove the control cables and power supply from the controller box.

Power Option 1 - Use Pump Low Voltage
This option is not possible if you have a Pentair pumps, EasyTouch, Intellicenter as the power output from these devices is not enough to support Clyr Controller and its accessories.
Use this option if you're hooking up a Clyr Lite controller or using a Clyr controller that doesn't need to control auxiliary relays.
Step 1 - Please turn your breaker off that powers your pump
Step 2 - Please remove the screws on the back lid of your pump

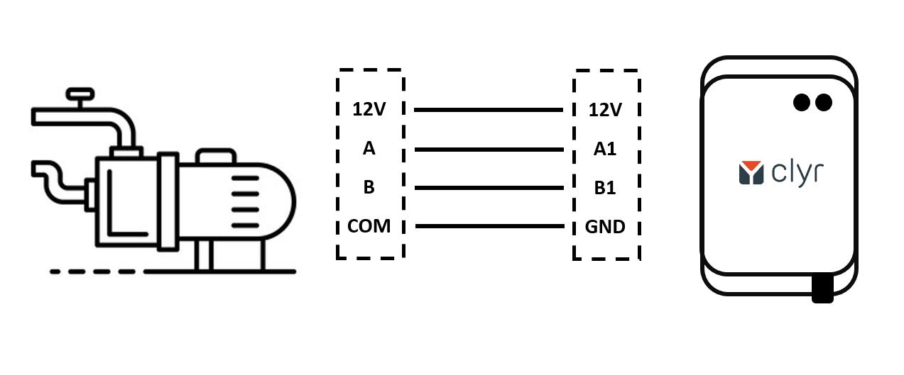
Step 3 - Please locate the four port terminal and find the COM and 12V ports.
For Hayward,
COM: Green
12V: Red
For Jandy and Pentair
COM: Black
12V: Red

Step 4 - Remove existing wires
Step 5 - Using a four wire cable or an ethernet cable, please choose a color to screw into COM and 12V. If you have black and red, please screw the wires into the following:
COM: black
12V: red
Use the following image as a reference:

Step 6 - Power on your breaker. The LED on your CLYR board should power up yellow π
π Please proceed to the next step.
Power Option 2 - Clyr Voltage Supply
This is the preferred power method if you are using a Clyr Controller (not Clyr Lite) and you are controlling auxiliary relays
Step 1 - Take Clyr power supply and locate a 120VAC outlet at your pool equipment pad
Step 2 - Wire the the following leads
GND: black wire
12V: red wire

Step 3 - The LED on your CLYR board should power up yellow
Last updated
Was this helpful?